Product Summary
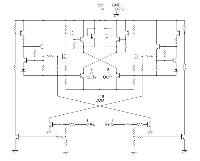
The BA6218 is a Reversible motor driver. It supplies an output current of 0.7A (maximum).
Parametrics
Absolute maximum ratings: (1)power supply voltage:18V; (2)power dissipation:800mW; (3)operating temperature:-20℃ to +60℃; (4)storage temperature:-55℃ to +125℃; (5)maximum output current:0.7A.
Features
Features: (1)Built-in surge absorbing diodes; (2)Small standby supply current; (3)Wide range of operating voltage (4.5V to 15V); (4)Interfaces with TTL devices.
Diagrams

| Image | Part No | Mfg | Description | ![]() |
Pricing (USD) |
Quantity | ||||||
|---|---|---|---|---|---|---|---|---|---|---|---|---|
![]() |
![]() BA6218 |
![]() |
![]() IC DRIVER REVERSE MOTOR SIP9 |
![]() Data Sheet |
![]()
|
|
||||||
| Image | Part No | Mfg | Description | ![]() |
Pricing (USD) |
Quantity | ||||||
![]() |
![]() BA6208 |
![]() |
![]() IC DRIVER REVERSE MOTOR SIP9 |
![]() Data Sheet |
![]()
|
|
||||||
![]() |
![]() BA6208F |
![]() Other |
![]() |
![]() Data Sheet |
![]() Negotiable |
|
||||||
![]() |
![]() BA6208F-E2 |
![]() |
![]() IC DRIVER REVERSE MOTOR SOP8 TR |
![]() Data Sheet |
![]()
|
|
||||||
![]() |
![]() BA6209 |
![]() |
![]() IC DRIVER REVERSE MOTOR HSIP10 |
![]() Data Sheet |
![]()
|
|
||||||
![]() |
![]() BA6209N |
![]() ROHM Semiconductor |
![]() Motor / Motion / Ignition Controllers & Drivers REVERS MOTOR DRVR |
![]() Data Sheet |
![]()
|
|
||||||
![]() |
![]() BA6212 |
![]() Other |
![]() |
![]() Data Sheet |
![]() Negotiable |
|
||||||
(Hong Kong)












